以前の記事で,実験を兼ねてUSB Type-Cで動作するRP2040基板を作りました.今回は,その改良を兼ねた基板名刺を制作します.
USB Type-C コネクタの規格に沿った端子を作る
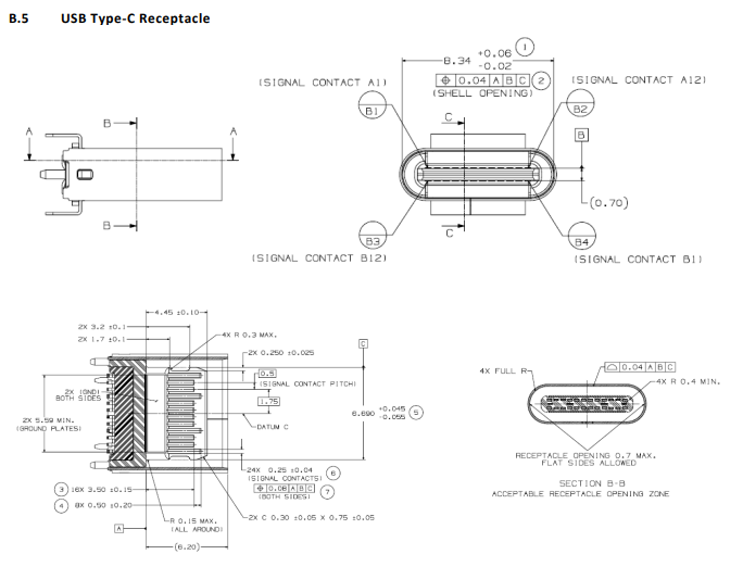
"Universal Serial Bus Type-C Connectors and Cable Assemblies Compliance Document"の"B.4 USB Type-C Receptacle"の項目を見ると,次の通りレセプタクル(コネクタのメス)の寸法を確認することができます$^{(1)}$.
(※Universal Serial Bus Type-C Connectors and Cable Assemblies Compliance Document Figure B-5より引用)
ここから,図の寸法と合う基板を作った結果が次のスクリーンショットです.コネクタとしての体裁を保つためにガイドの部分も描き込んでいます.この形を保存しておいて,名刺基板の中に組み込みます.

名刺サイズの基板を設計する
日本における名刺の寸法は,基本的に縦91mm×横55mmだそうです.しかし,この名刺は通常と異なるため,一回り小さいサイズで作ります.
縦86mm×横50mmの長方形を描き,その角を落とすように外枠を決めます.左上の切り欠き部分に合うように先程作成したコネクタ部を合わせ,元からあった外枠とつなげ合わせます.

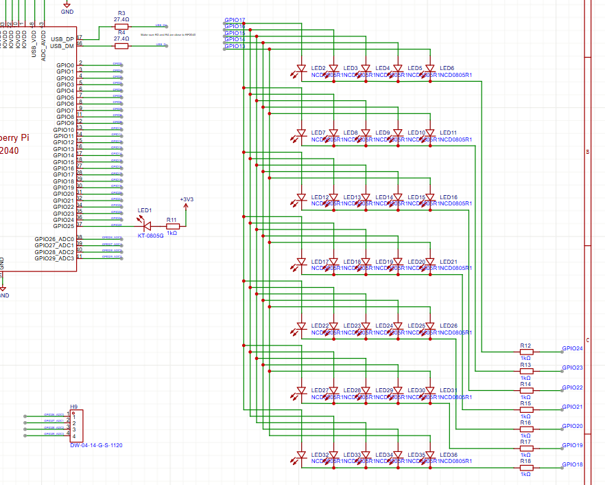
ここまでできたら,以前の記事と同様にRP2040用の配線をします.
今回は,micro:bit風の設計にしました.7×5の格子状にLEDを並べ,RP2040に繋いでいます.また,入力機器として3つのボタンが繋げられるような設計にしました.7×5としたのは,キャラクタLCDがこの解像度を採用しているためです.また,高さが7あれば極小日本語フォントである「美咲フォント」をギリギリ表示可能です.(本サイトのロゴが美咲フォントなのでこちらを見て粗さを確認してみてください)

全体の回路図はこちらから閲覧可能です.
名刺部分の画像を作る
EasyEDA上で全てのデザインを行っても良いのですが,流石に名刺の顔部分をCADで作るのは不便なので別のソフトで作った画像を読み込ませる事にします.
EasyEDAのツールバーのExportからpdfファイルを出力し,pngファイルに変換してからその寸法と穴に合う画像を作ります.

この画像を画像編集ソフトに読み込みます(筆者はCLIP STUDIO PAINTを利用).

後ほどEasyEDAに読み込ませて位置調整がやりやすくするため,USB Type-Cの切り欠きの部分をなぞります.

両端に穴の開いた線分を描き,エリアを4つに分けます.

アイコン,各種情報を配置します.

これを読み込ませてCAD上で大きさと配置を合わせます.

設計部分はこれで完成です.
発注〜着弾
基板は0.8mmの厚さで作ります.USB Type-Cの規格に合わせるのであれば0.75mmの厚さにするのが正しいですが,JLCPCBのデフォルトで指定できる厚さは以下の通りです.

最も近い厚みが0.8mmだったので,こちらで注文します.0.6mmでは差も大きく,電気的な接続ができなくなる可能性が高いので厚みがある方に振りました.また,今回はAssemblyは使わずに,ステンシルを注文しました.基板20枚$9.9,ステンシル$7,送料$12.45で合計$29.35(=¥4326)です.20枚全てをAssemblyにかけようとしたら$200近くなってしまったのでこれは断念しました.
発注後,ステンシルを大きく作りすぎたことに気付きました.値段も変わるので注意しましょう.

到着したステンシルはこのようになりました.この大きさなのに,使うための穴は中央にあるわずかな部分です.

USB Type-Cをさしこんでみるとこのようになりました.

少なくとも現段階では問題なさそうです.次回は,この基板に部品を実装していきましょう.
本基板の作成において問題を見つけた方がいらっしゃれば,筆者までご一報ください.
既出ですが,今回作成した回路図(.pdf形式)はこちらからダウンロード可能です.

